
央视网消息:通过恐龙化石,科学家们能从中解码出哪些信息?接下来一起探秘恐龙实验室,了解化石里的秘密。
想知道化石深处藏着的秘密,首先要制作通向微观世界的工具——硬组织切片。在这里,一块化石经过包埋、切割、打磨,最终做成只有几十微米的切片,厚度和一根头发丝的直径差不多。
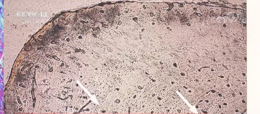
由于化石珍贵,切片大小往往只有几毫米,在显微镜下,它们却能为科学家展开另一个世界。在这里,骨骼成分已经消失,但留下的骨组织结构依然能读出大量信息。
中国科学院古脊椎动物与古人类研究所副研究员 赵祺:这个就是正常光下的照片,你可以看到有一些(线),就像树的年轮一样。这些爬行动物它的生长是周期性的,它在生长特别慢的时候就会形成这样一条线,我们通过计算这个线的个数,能够准确地计算出它的年龄,比如说这里我们就很肯定地说它就是3岁。
除了年龄,通过对脉管通道等骨组织的研究,结合现生动物的一些数据对比,科学家还可以对恐龙的新陈代谢率进行推断。
中国科学院古脊椎动物与古人类研究所副研究员 赵祺:比如说我们判断恐龙是温血的还是冷血的,那就,最好的证据就来自我们骨组织学。
记者:那所以它到底是温血的还是冷血的?
中国科学院古脊椎动物与古人类研究所副研究员 赵祺:我们现在认为其实它应该没有我们现在的人类这么温血,但是它也完全比一些传统的爬行动物新陈代谢率要高很多,所以说从比较宽泛的意义上来说我们可以认为它是一个温血动物。
对化石微观组织结构的探索,大大拓展了恐龙研究的思路。恐龙的力气有多大?恐龙能飞多远、飞多高?相信科学家们对骨组织研究的不断深入,将帮助人们更快地解开恐龙身上的这些谜团。